加工中心加工零件的操作過程
在本文中,我們主要簡介一下加工中心的工件加工前的準備工作以及程序輸入和修改的方法,我們以下面具體的零件為實例,講解加工中心加工零件的時候的基本操作過程,以便大家對加工中心的操作有一個清楚的認識。
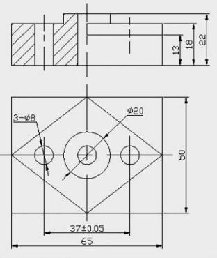
一、工件如圖所示,零件的材料為LY12,單件生產,零件毛坯已經加工到尺寸。數控加工中心選用V8型。

二、準備工作
加工前要做的準備工作具體包括工藝分析、工藝路線設計、刀具及夾具的選擇、程序編制等等。
三、操作步驟
1、開機,各坐標返回機床原點
2、準備道具
根據加工要求選擇Φ20立銑刀、Φ5中心鉆、Φ8麻花鉆各一把,然后用彈簧夾頭刀柄裝夾Φ20立銑刀,刀具號設為T01,用鉆夾頭刀柄裝夾Φ5中心鉆、Φ8麻花鉆,刀具號設為T02、T03,將對刀工具尋邊器裝在彈簧夾頭刀柄上,刀具號設為 T04 。
3、將已裝夾好刀具的刀柄采用手動方式放入刀庫, 即
1 )輸入 “T01 M06” ,執行
2 )手動將 T01 刀具裝上主軸
3 )按照以上步驟依次將 T02 、 T03 、 T04 放入刀庫
4、清潔工作臺,安裝夾具和工件。將平口虎鉗清理干凈裝在干凈的工作臺上,通過百分表找正、找平虎鉗,再將工件裝正在虎鉗上。
5、對刀,確定并輸入工件坐標系參數
1 )用尋邊器對刀,確定 X 、 Y 向的零偏值,將 X 、 Y 向的零偏值
輸入到工件坐標系 G54 中,G54 中的 Z 向零偏值輸為 0 ;
2 )將 Z 軸設定器安放在工件的上表面上,從刀庫中調出 1 號刀具裝上主軸,用這把刀具確定工件坐標系 Z 向零偏值,將 Z 向零偏值輸入到機床對應的長度補償代碼中, “+” 、 “-” 號由程序中的 G43 、 G44 來確定,如程序中長度補償指令為 G43 ,則輸入 “-” 的 Z 向零偏值到機床對應的長度補償代碼中;
3)以同樣的步驟將2號、3號刀具的Z向零偏值輸入到機床對應的長度補償代碼中。
6、輸入加工程序
將計算機生成好的加工程序通過數據線傳輸到機床數控系統的內存中。
7、調試加工程序
采用將工件坐標系沿+Z向平移即抬刀運行的方法進行調試。
1)調試主程序,檢查3把刀具是否按照工藝設計完成換刀動作;
2)分別調試與3把刀具對應的3個子程序,檢查刀具動作和加工路徑是否正確。
8、自動加工
確認程序無誤后,把工件坐標系的Z值恢復原值,將快速移動倍率開關、切削進給倍率開關打到低檔,按下數控啟動鍵運行程序,開始加工。加工過程中注意觀察刀具軌跡和剩余移動距離。
9、取下工件,進行檢測
選擇游標卡尺進行尺寸檢測,檢測完后進行質量分析。
10、清理加工現場
11、關機
中山市依速力機械有限公司是一家專業生產數控加工中心的廠家,加工中心廠家直銷熱線:400-070-0668
同類文章排行
- 四軸加工中心可用于哪種類型的工件加工
- 高速VMC850加工中心哪個品牌好
- 模具加工中心什么牌子的好
- 凱恩帝加工中心
- 比較耐用的加工中心選取建議
- 加工模具使用什么加工中心好
- 加工中心能加工生鐵嗎
- 加工中心三軸變四軸
- CNC加工中心多少錢一臺,影響因素有哪些
- 四軸加工中心多少錢一臺,最新四軸加工中心報價
最新資訊文章
您的瀏覽歷史










